苏州凌途智能科技有限公司主营直线运动产品和梯形螺纹丝杆,拥有当代冷滚轧及旋风铣技术和制造工艺,主要产品为标准梯形丝杆,CJ(高速)滚珠丝杆及配套螺母等。公司长期以来为客户提供独特的产品设计等一系列服务。
滚珠丝杆的特点:
1、摩擦损失小、传动效率高
由于滚珠丝杠副的丝杠轴与丝杠螺母之间有很多滚珠在做滚动运动,所以能得到较高的运动效率。与过去的滑动丝杠副相比驱动力矩达到1/3以下,即达到同样运动结果所需的动力为使用滑动丝杠副的1/3。在省电方面很有帮助。
2、精度高
滚珠丝杠副一般是用世界最高水平的机械设备连贯生产出来的,特别是在研削、组装、检查各工序的工厂环境方面,对温度、湿度进行了严格的控制,由于完善的品质管理体制使精度得以充分保证。
3、高速进给和微进给可能
滚珠丝杠副由于是利用滚珠运动,所以启动力矩极小,不会出现滑动运动那样的爬行现象,能保证实现精确的微进给。
4、轴向刚度高
滚珠丝杆副可以加与预压,由于预压力可使轴向间隙达到负值,进而得到较高的刚性(滚珠丝杠内通过给滚珠加予压力,在实际用于机械装置等时,由于滚珠的斥力可使丝母部的刚性增强)。
5、不能自锁、具有传动的可逆性
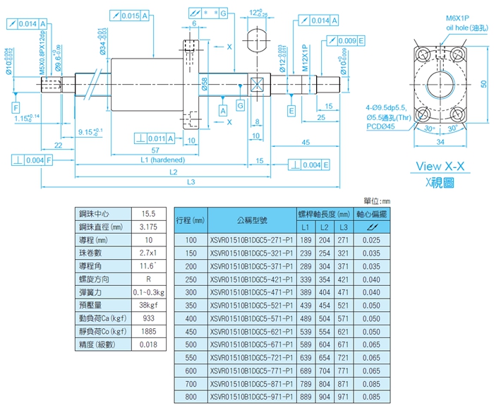
滚珠丝杆螺纹的主要参数:
1)外径d(大径)(D)——与外螺纹牙顶相重合的假想圆柱面直径——亦称公称直径
2)内径(小径)d1(D1)——与外螺纹牙底相重合的假想圆柱面直径,在强度计算中作危险剖面的计算直径
3)中径d2——在轴向剖面内牙厚与牙间宽相等处的假想圆柱面的直径,近似等于螺纹的平均直径 d2≈0.5(d+d1)
4)螺距P——相邻两牙在中径圆柱面的母线上对应两点间的轴向距离
5)导程(S)——同一螺旋线上相邻两牙在中径圆柱面的母线上的对应两点间的轴向距离
6)线数n——螺纹螺旋线数目,一般为便于制造n≤4螺距、导程、线数之间关系:S=nP
7)螺旋升角ψ——在中径圆柱面上螺旋线的切线与垂直于螺旋线轴线的平面的夹角。
8)牙型角α——螺纹轴向平面内螺纹牙型两侧边的夹角
9)牙型斜角β——螺纹牙型的侧边与螺 纹轴线的垂直平面的夹角。对称牙型
各种螺纹(除矩形螺纹)的主要几何尺寸可查阅有关标准——公称尺寸为螺纹外径对管螺纹近似等于管子的内径。
螺旋副的自锁条件为:螺纹升角小于或等于螺旋副的当量摩擦角。
螺旋副的传动效率为:螺母旋转一周时,有效功与输入功的比值。
克服轴向力Q匀速上升所需的圆周力






